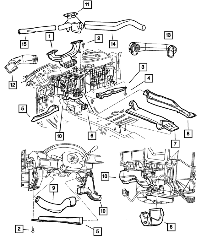
Conduits et sorties d`air pour 2001 Chrysler Concorde
N°
Numéro de pièce / Description / Prix
Prix
N°
Numéro de pièce / Description / Prix
Prix
2
Tête Collerette Hexagonale Vis
Mopar
Mopar Remarques: Engines: 2.7L V6 24V W/ACTIVE INTAKE ENGINE. 2.7L V6 DOHC 24 VALVE MPI ENGINE.
Description: M4,2x1,70x20,00. Sauf indication contraire, les fixations figurant dans le graphique seront soit de l’article 1, soit de l’article 2, en fonction du marché.
PDSF 2,60 $ CAD
1,86 $ CAD
PDSF 2,60 $ CAD
1,86 $ CAD


