Avis important : En raison de la grève en cours chez Postes Canada, des délais supplémentaires de livraison peuvent survenir. Si vous souhaitez utiliser un autre transporteur, vous pouvez nous contacter par courriel.

Commandes de sélection de rapport pour 2007 Chrysler Sebring

Véhicule

2007 Chrysler Sebring

Modifier Véhicule

Catégories

Parcourir les catégories
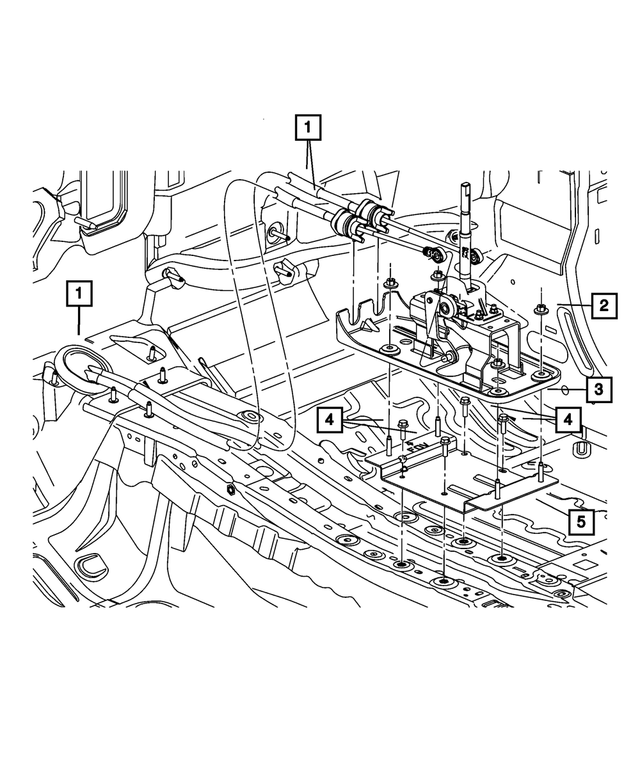
Commandes de sélection de rapport pour 2007 Chrysler Sebring #0 Commandes de sélection de rapport pour 2007 Chrysler Sebring #1
Numéro de pièce / Description / Prix
Prix
1
Commande De Sélection De Rapport Cable
Mopar Mopar
Remarques: Transmissions: 6-SPEED MANUAL AISIN BG6 TRANS.
2
Ecrou Hexagonal, Rondelle Conique Ecrou Et Rondelle
Mopar Mopar
Remarques: Transmissions: 4-SPEED AUTOMATIC VLP TRANSMISSION. 5-SPEED MANUAL T355 TRANSMISSION. 6-SPEED AUTOMATIC 62TE TRANSMISSION. 6-SPEED MANUAL AISIN BG6 TRANS.
Description: M6 x 1,00. Rear Cargo Bin Attaching
PDSF 12,30 $ CAD
7,37 $ CAD
PDSF 12,30 $ CAD
7,37 $ CAD
3
Transmission Selecteur
Mopar Mopar
Remarques: Transmissions: 6-SPEED MANUAL AISIN BG6 TRANS.
Description: TRANSMISSION
4
Collerette Hexagonale Vis, Montage
Mopar Mopar
Remarques: Engines: 2.0L I4 DOHC 16V DUAL VVT ENGINE. 2.4L I4 DOHC 16V DUAL VVT ENGINE. Transmissions: 4-SPEED AUTOMATIC VLP TRANSMISSION. 5-SPEED MANUAL T355 TRANSMISSION. 6-SPEED AUTOMATIC 62TE TRANSMISSION. 6-SPEED MANUAL AISIN BG6 TRANS.
Description: M6x1,00x20,00. Retenue de bague d'étanchéité d'huile arrière vers bloc-cylindres
PDSF 4,20 $ CAD
3,00 $ CAD
PDSF 4,20 $ CAD
3,00 $ CAD
5
Montage Du Sélecteur De Rapport mtx Ens Support
Mopar Mopar
Remarques: Transmissions: 5-SPEED MANUAL T355 TRANSMISSION. 6-SPEED MANUAL AISIN BG6 TRANS.
Description: MTX SHIFTER MOUNTING