Bloc-cylindre pour 2014 Ram 2500
Catégories
- Bloc hydraulique, accumulateur, solénoïde et haricot de stationnement
- Carter, extension, carter d'huile et témoin (jauge)
- Commandes de sélection de rapport et pièces apparentées
- Embrayages
- Ensembles de joints et cales
- Fixation et plaque de protection
- Pompe à huile
- Train de pignons
- Transmission automatique / boîte-pont et convertisseur de couple
- Allumage, bougies, câbles, bobines et bougies de préchauffage
- Assistance au stationnement
- Avertisseurs sonores
- Batterie, support de batterie et câbles
- Bloc du panneau d`instruments
- Câblage du groupe motopropulseur
- Câblage et réparation
- Câblage-panneau d`instruments
- Câblage, caisse et accessoires
- Câblage, projecteur/panneau
- Capteurs
- Centre de distribution, bloc-fusibles, boîte de jonction, relais et fusibles
- Clés, modules et unités de commande de moteur
- Contacteurs
- Démarreurs
- Essuie-glace et lave-glace
- Générateurs/Alternateurs
- Lampes-intérieur et extérieur
- Navigation
- Radio, antenne, haut-parleurs, systèmes DVD et vidéo
- Compartiment arrière de rangement
- Consoles
- Panneau d`instruments
- Panneaux – moulures – plaques de protection, pied, auvent, garniture de panneau 1/4 et cache-bagages
- Panneaux de garnissage de porte – avant et arrière
- Pavillons – pare-soleil – courroies de maintien
- Sièges arrière-Deuxième rangée
- Sièges arrière-Deuxième rangée-Dispositifs de réglage, d'inclinaison et élévateurs
- Sièges avant-Dispositifs de réglage, d'inclinaison et élévateurs
- Sièges avant-Première rangée
- Tapis, plancher d'espace de charge et isolations
- Arbre à cames et soupape
- Bloc-cylindre
- Collecteurs et raccord de dépression
- Courroie/Chaîne et couvercle de distribution et arbre d'équilibrage
- Culasse
- Identification de moteur, entretiens des moteurs et trousses de réparation du moteur
- Lubrification de moteur, carter d'huile et témoin (jauge)
- Montage du moteur
- Ventilation du carter
- Vilebrequin, piston, entraînement, volant et amortisseur
- Bloc hydraulique, accumulateur, solénoïde et haricot de stationnement
- Carter, extension, carter d'huile et témoin (jauge)
- Commandes de sélection de rapport et pièces apparentées
- Embrayages
- Ensembles de joints et cales
- Fixation et plaque de protection
- Pompe à huile
- Train de pignons
- Transmission automatique / boîte-pont et convertisseur de couple
- Allumage, bougies, câbles, bobines et bougies de préchauffage
- Assistance au stationnement
- Avertisseurs sonores
- Batterie, support de batterie et câbles
- Bloc du panneau d`instruments
- Câblage du groupe motopropulseur
- Câblage et réparation
- Câblage-panneau d`instruments
- Câblage, caisse et accessoires
- Câblage, projecteur/panneau
- Capteurs
- Centre de distribution, bloc-fusibles, boîte de jonction, relais et fusibles
- Clés, modules et unités de commande de moteur
- Contacteurs
- Démarreurs
- Essuie-glace et lave-glace
- Générateurs/Alternateurs
- Lampes-intérieur et extérieur
- Navigation
- Radio, antenne, haut-parleurs, systèmes DVD et vidéo
- Compartiment arrière de rangement
- Consoles
- Panneau d`instruments
- Panneaux – moulures – plaques de protection, pied, auvent, garniture de panneau 1/4 et cache-bagages
- Panneaux de garnissage de porte – avant et arrière
- Pavillons – pare-soleil – courroies de maintien
- Sièges arrière-Deuxième rangée
- Sièges arrière-Deuxième rangée-Dispositifs de réglage, d'inclinaison et élévateurs
- Sièges avant-Dispositifs de réglage, d'inclinaison et élévateurs
- Sièges avant-Première rangée
- Tapis, plancher d'espace de charge et isolations
- Arbre à cames et soupape
- Bloc-cylindre
- Collecteurs et raccord de dépression
- Courroie/Chaîne et couvercle de distribution et arbre d'équilibrage
- Culasse
- Identification de moteur, entretiens des moteurs et trousses de réparation du moteur
- Lubrification de moteur, carter d'huile et témoin (jauge)
- Montage du moteur
- Ventilation du carter
- Vilebrequin, piston, entraînement, volant et amortisseur
Parcourir les catégories
Sélectionnez la catégorie
- Bloc hydraulique, accumulateur, solénoïde et haricot de stationnement
- Carter, extension, carter d'huile et témoin (jauge)
- Commandes de sélection de rapport et pièces apparentées
- Embrayages
- Ensembles de joints et cales
- Fixation et plaque de protection
- Pompe à huile
- Train de pignons
- Transmission automatique / boîte-pont et convertisseur de couple
- Allumage, bougies, câbles, bobines et bougies de préchauffage
- Assistance au stationnement
- Avertisseurs sonores
- Batterie, support de batterie et câbles
- Bloc du panneau d`instruments
- Câblage du groupe motopropulseur
- Câblage et réparation
- Câblage-panneau d`instruments
- Câblage, caisse et accessoires
- Câblage, projecteur/panneau
- Capteurs
- Centre de distribution, bloc-fusibles, boîte de jonction, relais et fusibles
- Clés, modules et unités de commande de moteur
- Contacteurs
- Démarreurs
- Essuie-glace et lave-glace
- Générateurs/Alternateurs
- Lampes-intérieur et extérieur
- Navigation
- Radio, antenne, haut-parleurs, systèmes DVD et vidéo
- Compartiment arrière de rangement
- Consoles
- Panneau d`instruments
- Panneaux – moulures – plaques de protection, pied, auvent, garniture de panneau 1/4 et cache-bagages
- Panneaux de garnissage de porte – avant et arrière
- Pavillons – pare-soleil – courroies de maintien
- Sièges arrière-Deuxième rangée
- Sièges arrière-Deuxième rangée-Dispositifs de réglage, d'inclinaison et élévateurs
- Sièges avant-Dispositifs de réglage, d'inclinaison et élévateurs
- Sièges avant-Première rangée
- Tapis, plancher d'espace de charge et isolations
- Arbre à cames et soupape
- Bloc-cylindre
- Collecteurs et raccord de dépression
- Courroie/Chaîne et couvercle de distribution et arbre d'équilibrage
- Culasse
- Identification de moteur, entretiens des moteurs et trousses de réparation du moteur
- Lubrification de moteur, carter d'huile et témoin (jauge)
- Montage du moteur
- Ventilation du carter
- Vilebrequin, piston, entraînement, volant et amortisseur
- Bloc hydraulique, accumulateur, solénoïde et haricot de stationnement
- Carter, extension, carter d'huile et témoin (jauge)
- Commandes de sélection de rapport et pièces apparentées
- Embrayages
- Ensembles de joints et cales
- Fixation et plaque de protection
- Pompe à huile
- Train de pignons
- Transmission automatique / boîte-pont et convertisseur de couple
- Allumage, bougies, câbles, bobines et bougies de préchauffage
- Assistance au stationnement
- Avertisseurs sonores
- Batterie, support de batterie et câbles
- Bloc du panneau d`instruments
- Câblage du groupe motopropulseur
- Câblage et réparation
- Câblage-panneau d`instruments
- Câblage, caisse et accessoires
- Câblage, projecteur/panneau
- Capteurs
- Centre de distribution, bloc-fusibles, boîte de jonction, relais et fusibles
- Clés, modules et unités de commande de moteur
- Contacteurs
- Démarreurs
- Essuie-glace et lave-glace
- Générateurs/Alternateurs
- Lampes-intérieur et extérieur
- Navigation
- Radio, antenne, haut-parleurs, systèmes DVD et vidéo
- Compartiment arrière de rangement
- Consoles
- Panneau d`instruments
- Panneaux – moulures – plaques de protection, pied, auvent, garniture de panneau 1/4 et cache-bagages
- Panneaux de garnissage de porte – avant et arrière
- Pavillons – pare-soleil – courroies de maintien
- Sièges arrière-Deuxième rangée
- Sièges arrière-Deuxième rangée-Dispositifs de réglage, d'inclinaison et élévateurs
- Sièges avant-Dispositifs de réglage, d'inclinaison et élévateurs
- Sièges avant-Première rangée
- Tapis, plancher d'espace de charge et isolations
- Arbre à cames et soupape
- Bloc-cylindre
- Collecteurs et raccord de dépression
- Courroie/Chaîne et couvercle de distribution et arbre d'équilibrage
- Culasse
- Identification de moteur, entretiens des moteurs et trousses de réparation du moteur
- Lubrification de moteur, carter d'huile et témoin (jauge)
- Montage du moteur
- Ventilation du carter
- Vilebrequin, piston, entraînement, volant et amortisseur
Bloc-cylindre pour 2014 Ram 2500
N°
Numéro de pièce / Description / Prix
Prix
6
Goupille De Cheville, Montage
Mopar
Mopar Remarques: Engines: 5.7L V8 HEMI CNG ENGINE. 5.7L V8 HEMI VVT Engine. 6.4L HEAVY DUTY V8 HEMI WITH MDS.
Description: La trousse de goupilles de l’article 13 est également contenue dans la trousse de bloc-moteur embiellé. Tous les bouchons et toutes les goupilles doivent être installés sur le bloc-cylindres avant d’installer le moteur.. Entre les culasses et le bloc-cylindres
PDSF 15,15 $ CAD
9,07 $ CAD
PDSF 15,15 $ CAD
9,07 $ CAD
7
Douille Hexagonale Bouchon
Mopar
Mopar Remarques: Engines: 5.7L V8 HEMI CNG ENGINE. 5.7L V8 HEMI VVT Engine. 6.4L HEAVY DUTY V8 HEMI WITH MDS.
Description: 3/8-18NPTx0,475. Réparé aussi avec couvercle. Carter de chaîne, couvercle
PDSF 16,60 $ CAD
9,96 $ CAD
PDSF 16,60 $ CAD
9,96 $ CAD
13
Bouchon, Arrière
Mopar
Mopar Remarques: Engines: 5.7L V8 HEMI CNG ENGINE. 5.7L V8 HEMI VVT Engine. 6.4L HEAVY DUTY V8 HEMI WITH MDS.
Description: [M47.93 DI 6.4 EP 51.5 DI FL]. Arbre à cames
PDSF 12,95 $ CAD
9,31 $ CAD
PDSF 12,95 $ CAD
9,31 $ CAD
14
Bloc/carter D`embrayage Cheville, Montage
Mopar
Mopar Remarques: Engines: 5.7L V8 HEMI CNG ENGINE. 5.7L V8 HEMI VVT Engine.
Description: [1/2 X 3/4]. Bloc-cylindres à transmission
PDSF 19,85 $ CAD
11,90 $ CAD
PDSF 19,85 $ CAD
11,90 $ CAD
15
Cheville Goupille, Retenue De Bague D`étanchéité
Mopar
Mopar Remarques: Engines: 5.7L V8 HEMI CNG ENGINE. 5.7L V8 HEMI VVT Engine. 6.4L HEAVY DUTY V8 HEMI WITH MDS.
Description: Aussi réparé dans ens de retenue
16
Tuyau Bouchon
Mopar
Mopar Remarques: Engines: 5.7L V8 HEMI CNG ENGINE. 5.7L V8 HEMI VVT Engine. 6.4L HEAVY DUTY V8 HEMI WITH MDS.
Description: 0.250-18X0,413. Canalisation de graissage et côté central droit arrière du bloc-cylindres
PDSF 6,75 $ CAD
4,86 $ CAD
PDSF 6,75 $ CAD
4,86 $ CAD
19
Tête Collerette Hexagonale Boulon, Montage
Mopar
Mopar Remarques: Engines: 5.7L V8 HEMI CNG ENGINE. 5.7L V8 HEMI VVT Engine. 6.4L HEAVY DUTY V8 HEMI WITH MDS.
Description: M6X1,00X24,00. Retenue de bague d'étanchéité arrière de vilebrequin vers bloc-cylindres
PDSF 4,40 $ CAD
3,16 $ CAD
PDSF 4,40 $ CAD
3,16 $ CAD
26
Cheville Goupille, Montage
Mopar
Mopar Remarques: Engines: 5.7L V8 HEMI CNG ENGINE. 5.7L V8 HEMI VVT Engine. 6.4L HEAVY DUTY V8 HEMI WITH MDS.
Description: M8X10,00. Carter de distribution avant vers bloc-cylindres
PDSF 12,60 $ CAD
9,07 $ CAD
PDSF 12,60 $ CAD
9,07 $ CAD
29
Disque Clavette
Mopar
Mopar Remarques: Engines: 5.7L V8 HEMI CNG ENGINE. 5.7L V8 HEMI VVT Engine. 6.4L HEAVY DUTY V8 HEMI WITH MDS.
Description: Vilebrequin, roue dentée
PDSF 11,40 $ CAD
8,18 $ CAD
PDSF 11,40 $ CAD
8,18 $ CAD
30
Vilebrequin
Mopar
Mopar Remarques: Engines: 5.7L V8 HEMI CNG ENGINE. 5.7L V8 HEMI VVT Engine.
Description: Nouveau numéro de pièce pour 2013. Non interchangeable avec le vilebrequin 2012 et modèle antérieur
37
À Deux Bouts Goujon
Mopar
Mopar Remarques: Engines: 5.7L V8 HEMI CNG ENGINE. 5.7L V8 HEMI VVT Engine. 6.4L HEAVY DUTY V8 HEMI WITH MDS.
Description: M12 x 1,75 x 1,25 x 152,1. Du chapeau de palier principal au bloc-cylindres
PDSF 15,30 $ CAD
11,02 $ CAD
PDSF 15,30 $ CAD
11,02 $ CAD
38
Bloc-cylindre Bouchon
Mopar
Mopar Remarques: Engines: 5.7L V8 HEMI CNG ENGINE. 5.7L V8 HEMI VVT Engine.
Description: Solénoïde MDS. Pour moteurs sans cylindrée multiple
PDSF 47,15 $ CAD
32,80 $ CAD
PDSF 47,15 $ CAD
32,80 $ CAD
39
Tête Hexagonale Boulon Et Rondelle Conique
Mopar
Mopar Remarques: Engines: 5.7L V8 HEMI CNG ENGINE. 5.7L V8 HEMI VVT Engine. 6.4L HEAVY DUTY V8 HEMI WITH MDS.
Description: M6x1,00x14,00. De l’écran thermique au mécanisme de transfert
PDSF 3,85 $ CAD
2,76 $ CAD
PDSF 3,85 $ CAD
2,76 $ CAD
N°
Numéro de pièce / Description / Prix
Prix
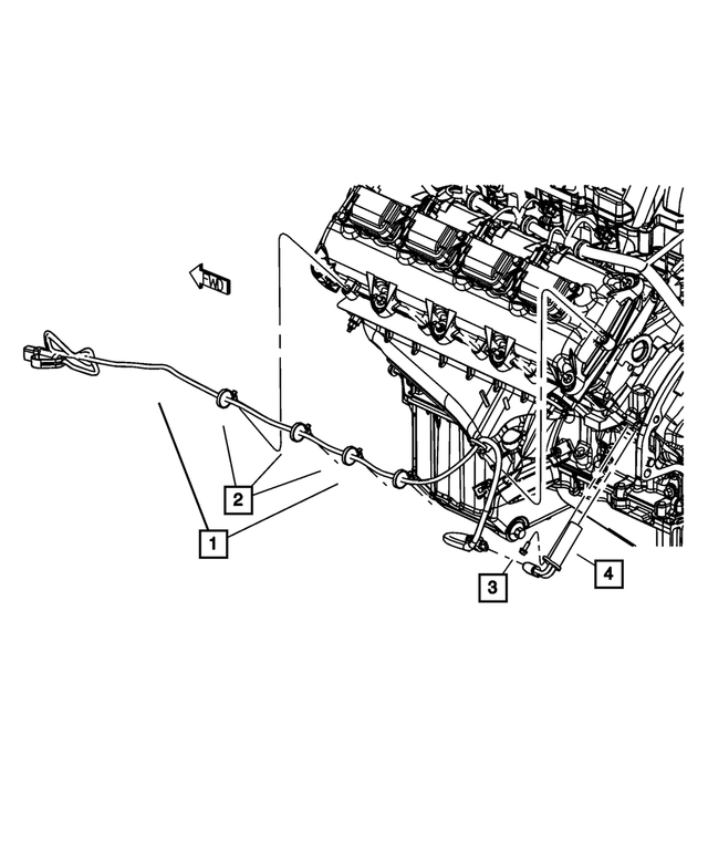
1
Chauffage Du Bloc Moteur Cordon
Mopar
Mopar Remarques: Engines: 5.7L V8 HEMI CNG ENGINE. 5.7L V8 HEMI VVT Engine.
3
Tête Hexagonale Boulon, Montage
Mopar
Mopar Remarques: Engines: 5.7L V8 HEMI CNG ENGINE. 5.7L V8 HEMI VVT Engine. 6.4L HEAVY DUTY V8 HEMI WITH MDS.
Description: M6x1,00x20,00. Chauffage de bloc-moteur à bloc-cylindres
4
Bloc Moteur Chauffage
Mopar
Mopar Remarques: Engines: 5.7L V8 HEMI CNG ENGINE. 5.7L V8 HEMI VVT Engine. 6.4L HEAVY DUTY V8 HEMI WITH MDS.
Description: Includes Mounting Hardware. Engine Block Heater To Cylinder Block.
PDSF 175,00 $ CAD
116,89 $ CAD
PDSF 175,00 $ CAD
116,89 $ CAD


