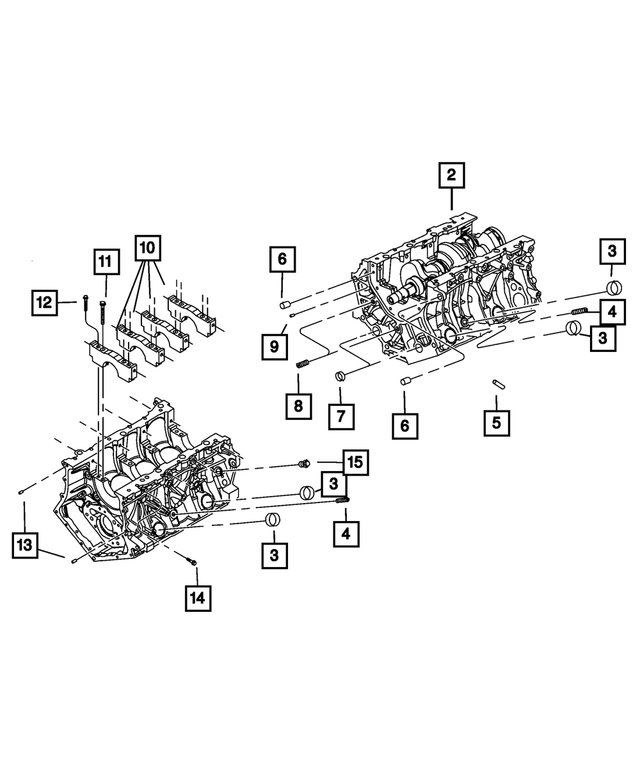
Bloc-cylindre pour 2007 Chrysler Sebring
N°
Numéro de pièce / Description / Prix
Prix
N/A
Bloc Long Moteur 1
Mopar
Mopar Remarques: Engines: 2.7L V6 DOHC 24 VALVE MPI ENGINE. ALL V6 ENGINES.
Description: Nouvelle pièce pour le retour des pièces de reprise
4
Noyau Bouchon
Mopar
Mopar Remarques: Engines: 3.5L V6 HIGH OUTPUT 24V MPI ENGINE. ALL V6 ENGINES.
Description: [0,250-18x0,560]. Vidange de la chemise de refroidissement du bloc-cylindres
5
Bloc/culasse Cheville, Montage
Mopar
Mopar Remarques: Engines: 3.5L V6 HIGH OUTPUT 24V MPI ENGINE. ALL V6 ENGINES.
Description: Bâti à support d'arbre d'équilibrage
6
Goupille De Cheville, Montage
Mopar
Mopar Description: La trousse de goupilles de l’article 13 est également contenue dans la trousse de bloc-moteur embiellé. Tous les bouchons et toutes les goupilles doivent être installés sur le bloc-cylindres avant d’installer le moteur.. Entre les culasses et le bloc-cylindres
PDSF 15,15 $ CAD
9,07 $ CAD
PDSF 15,15 $ CAD
9,07 $ CAD
7
Noyau Bouchon
Mopar
Mopar Remarques: Engines: 3.5L V6 HIGH OUTPUT 24V MPI ENGINE. ALL V6 ENGINES.
Description: Diamètre 1.00. Vidange de la chemise de refroidissement du bloc-cylindres
PDSF 9,25 $ CAD
6,65 $ CAD
PDSF 9,25 $ CAD
6,65 $ CAD
9
Goupille De Cheville, Montage, Supérieur
Mopar
Mopar Remarques: Engines: 2.7L V6 DOHC 24 VALVE MPI ENGINE. 3.5L V6 HIGH OUTPUT 24V MPI ENGINE. 4.0L V6 SOHC Engine. ALL V6 ENGINES. Transmissions: 4-SPEED AUTOMATIC TRANSMISSION. 4-SPEED AUTOMATIC VLP TRANSMISSION. 6-SPEED AUTOMATIC 62TE TRANSMISSION.
Description: Carter d'huile / bloc-cylindres
PDSF 13,90 $ CAD
8,34 $ CAD
PDSF 13,90 $ CAD
8,34 $ CAD
11
Tête Collerette Hexagonale Boulon, Montage
Mopar
Mopar Remarques: Engines: 3.5L V6 HIGH OUTPUT 24V MPI ENGINE. ALL V6 ENGINES.
Description: M10X1,50X100,00. Déflecteur vers bloc-cylindres intérieur
12
Tête Collerette Hexagonale Boulon, Montage
Mopar
Mopar Remarques: Engines: 3.5L V6 HIGH OUTPUT 24V MPI ENGINE. ALL V6 ENGINES.
Description: M8X1.25X90.00. Capuchon principal du déflecteur vers bloc-cylindres
14
Tête Collerette Hexagonale Boulon
Mopar
Mopar Description: M8x1,25x50,00. Du radiateur basse température au support
1 Ce prix ne comprend pas les frais de dépôt de reprise remboursables du fabricant. Ajoutez la pièce à votre panier pour voir le dépôt de reprise.
N°
Numéro de pièce / Description / Prix
Prix
1
Bloc Moteur Chauffage
Mopar
Mopar Remarques: Engines: 2.7L V6 DOHC 24 VALVE MPI ENGINE. 3.5L V6 HIGH OUTPUT 24V MPI ENGINE.
Description: Pour moteurs 2.7L et 3.5L
PDSF 136,00 $ CAD
91,97 $ CAD
PDSF 136,00 $ CAD
91,97 $ CAD
2
Tête Hexagonale Boulon Et Rondelle, Montage
Mopar
Mopar Remarques: Engines: 2.7L V6 DOHC 24 VALVE FFV ENGINE. 2.7L V6 DOHC 24 VALVE MPI ENGINE. 3.5L V6 HIGH OUTPUT 24V MPI ENGINE.
Description: M6x1.00x20,00. Chauffage de bloc-moteur à bloc-cylindres
PDSF 4,10 $ CAD
2,44 $ CAD
PDSF 4,10 $ CAD
2,44 $ CAD
4
Chauffage Du Bloc Moteur Cordon
Mopar
Mopar Remarques: Engines: 2.4L I4 DOHC 16V DUAL VVT ENGINE. 2.7L V6 DOHC 24 VALVE MPI ENGINE. 3.5L V6 HIGH OUTPUT 24V MPI ENGINE.
Description: 2.4L
PDSF 94,75 $ CAD
64,23 $ CAD
PDSF 94,75 $ CAD
64,23 $ CAD


