Avis important : En raison de la grève en cours chez Postes Canada, des délais supplémentaires de livraison peuvent survenir. Si vous souhaitez utiliser un autre transporteur, vous pouvez nous contacter par courriel.
Accueil
1-877-908-2424
Panier
Boutique de pièces détachées
Boutique d’accessoires
Mon compte
Connexion
Inscription
Suivi des commandes
Politiques
Conditions
Politique de confidentialité
Politique de retour
Politique de retour
Mon compte
Suivi des commandes
Contactez-nous
Panier
Le panier est vide
English
Français
Accueil
Catégories de pièces
Accessoires
À propos de nous
2007 Chrysler Sebring
2007 Chrysler Sebring
Effacer le véhicule de la recherche
Supprimer tous les véhicules de mon garage
Ajouter Véhicule
Search Bar 3
Recherche par numéro(s) de pièce, mots-clés ou NIV
Admission d'air et alimentation en carburant
Réservoirs de carburant
Système d’admission d’air
Injecteurs de carburant
Assemblages de filtres à air
Pompes à carburant
Freins
Étriers de frein
Plaquettes de frein
Tambours de frein
Plaquettes et segments de frein
Disques de frein, rotors et accessoires
Systèmes de refroidissement
Tuyaux et colliers
Radiateurs et pièces
Thermostats et pièces
Pompes à eau
Refroidisseurs d'huile
Composants du moteur
Arbres à cames, poussoirs et pièces
Supports du moteur
Cache-soupapes
Courroies, poulies et supports
Culasses et pièces
Joints d’étanchéité
Joints de cartouche d’huile
Joints d’admission
Joints d’échappement
Joints de jeu complet
Éclairage
Feux arrière
Phares avant
Tableau de bord
Clignotants
Feux de position latéraux
Suspension et direction
Bras de commande et pièces
Ressorts hélicoïdaux
Amortisseurs et jambes de force
Barres stabilisatrices
Biellettes de direction
Roues, pneus et pièces
Enjoliveurs de roues
Entretoises de roue
Moyeux et roulements de roue
Roues
Système de contrôle de la pression des pneus
Accessoires intérieurs
Cargo
Porte-gobelets
Pièces du tableau de bord
Électronique
Tapis de sol et moquettes
Miroirs intérieurs
Leviers de vitesse
Pare-soleil
Accessoires extérieurs
Porte-bagages de toit
Protection anti-éclaboussures et bavettes
Ailerons
Accessoires de pneus
Accueil
2007 Chrysler Sebring
Base 2.7L V6 - Flex
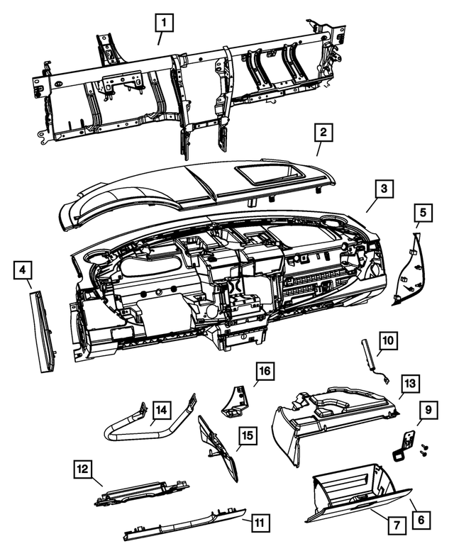
Panneau d`instruments
Panneau d`instruments pour 2007 Chrysler Sebring
Mon Garage
2007 Chrysler Sebring
Base 2.7L V6 - Flex
Modifier Véhicule
2007 Chrysler Sebring
Effacer le véhicule de la recherche
Supprimer tous les véhicules de mon garage
Ajouter Véhicule
Catégories
Tous
Pièce
Accessoires
Audio/vidéo et équipement électronique
Système Uconnect, technologie sans fil BluetoothMD et iPodMD
Systèmes de divertissement
Boîte de vitesses automatique 4 vitesses
Carter et extension
Commandes de sélection de rapport
Boîte-pont automatique 6 vitesses
Carter et extension
Commandes de sélection de rapport
Ensemble de boîte-pont
Pompe à huile
Boîte-pont manuelle Aisin 6 rapports
Commandes de sélection de rapport
Cadres et pare-chocs
Cadres
Pare-chocs arrière et revêtement
Pare-chocs avant et revêtement
Carburant
Corps du papillon
Epurateur d`air
Pédale d`accélérateur
Rampe à carburant
Réservoir, carburant
Tube de remplissage du réservoir à carburant
Climatisation et chauffage
Commandes de climatisation/chauffage
Compresseur de climatisation
Conduits et sorties d`air
Tuyauterie de climatisation/chauffage
Unités de climatisation/chauffage
Direction
Boîtier de direction
Colonne de direction
Durites de direction assistée
Pompe de direction assistée
Volant de direction
Echappement
Circuit d`échappement
Ecrans thermiques
Electricité
Alternateurs
Avertisseurs sonores
Berceau et câbles de batterie
Bougies-câbles-bobines
Câblage-Caisse et accessoires
Câblage-moteur et pièces apparentées
Câblage-panneau d`instruments
Capteurs
Contacteurs
Contrôleurs de moteur à circuit unique
Démarreurs
Lampes - avant, arrière et courtoisie
Modules
Relais
Réparation de câblage
Système de coussin anti-chocs
Toit décapotable-Electrique
Embrayage
Commandes d`embrayage
Pédales d`embrayage
Essuie-glace/barillet de serrure et clés
Barillets de serrure et clés
Essuie-glace et lave-glace
Etiquette tous emplacements de véhicule
Coffre
Intérieur
Portes
Sous le capot
Extérieur
Roues
Verrous
Frein de stationnement
Freins, stationnement
Freins de service
Canalisations et flexibles de frein
Freins arrière
Freins avant
Maître-cylindre de frein et commande ABS
Pédales de frein
Servofrein
Garnissage intérieur
Carpette, moquettes, et insonorisants
Ceintures de sécurité-avant et arrière
Dispositifs de réglage, couvercles et écrans
Panneaux de garnissage de porte - Avant et arrière
Panneaux-moulures, plaques de protection
Pavillon, pare-soleil, et tablette arrière
Sièges arrière
Sièges avant
Intérieur
Housses de sièges et cache-bagages
Tapis protecteurs
Montage du moteur
Moteur 2.0L 4 cyl. (Diesel)
Ventilation du carter
Moteur 2.0L quatre cylindres
Collecteurs
Culasse
Lubrification du moteur
Vilebrequin, piston et plateau d`entraînement
Moteur 2.4L quatre cylindres
Bloc-cylindre
Collecteurs
Culasse
Vilebrequin, piston et plateau d`entraînement
Moteur 2.7L six cylindres
Arbres à cames et soupapes
Bloc-cylindre
Collecteurs
Courroie de distribution et couvercle
Culasse
Identification du moteur
Lubrification du moteur
Ventilation du carter
Vilebrequin, piston et plateau d'entraînement
Moteur 3.5L six cylindres
Bloc-cylindre
Collecteurs
Courroie de distribution et couvercle
Lubrification du moteur
Ornementation extérieure
Moulures et décoration
Plaquettes d`identification
Panneau d`instruments, radios et consoles
Bloc du panneau d`instruments
Consoles
Panneau d`instruments
Radio, antenne, et haut-parleurs
Systèmes de divertissement
Performance
Réchauffeurs
Porte-équipements et remorquage
Attelages et remorquage
Porte-bagages et porte-équipement
Portes et pièces apparentées
Joints d`étanchéité
Porte arrière
Porte avant
Rétroviseur extérieur
Refroidissement
Grilles
Pompe à eau et pièces apparentées
Poulies et pièces apparentées
Radiateur et pièces apparentées
Réservoir, liquide de refroidissement
Roues, enjoliveurs et crics
Arrimage de la roue de secours
Arrimage du cric
Enjoliveurs et chapeaux de roue
Roues et accessoires
Suspension arrière
Suspension avant et entraînement
Arbres de transmission d`essieu avant
Suspension avant
Systèmes antipollution
Boîtier de purge à dépression
Circuit de recirculation des gaz d`échappement
Tôles de caisse sauf portes
Aile avant
Auvent et tablier
Bouchons
Capot et déverrouillage du capot
Couvercle du coffre et hayon
Cuvettes du plancher
Ecrans pare-boue-joints
Panneaux d`ouverture
Panneaux de custode
Panneaux de toit
Pare-brise, support de rétroviseur et rétroviseur central (glace et rétroviseur)
Tablette arrière
Toit ouvrant
Trans manu NVG 5 vit
Commandes de sélection de rapport
Ensemble de boîte-pont
Boîte de vitesses automatique 4 vitesses
Carter et extension
Commandes de sélection de rapport
Boîte-pont automatique 6 vitesses
Carter et extension
Commandes de sélection de rapport
Ensemble de boîte-pont
Pompe à huile
Boîte-pont manuelle Aisin 6 rapports
Commandes de sélection de rapport
Cadres et pare-chocs
Cadres
Pare-chocs arrière et revêtement
Pare-chocs avant et revêtement
Carburant
Corps du papillon
Epurateur d`air
Pédale d`accélérateur
Rampe à carburant
Réservoir, carburant
Tube de remplissage du réservoir à carburant
Climatisation et chauffage
Commandes de climatisation/chauffage
Compresseur de climatisation
Conduits et sorties d`air
Tuyauterie de climatisation/chauffage
Unités de climatisation/chauffage
Direction
Boîtier de direction
Colonne de direction
Durites de direction assistée
Pompe de direction assistée
Volant de direction
Echappement
Circuit d`échappement
Ecrans thermiques
Electricité
Alternateurs
Avertisseurs sonores
Berceau et câbles de batterie
Bougies-câbles-bobines
Câblage-Caisse et accessoires
Câblage-moteur et pièces apparentées
Câblage-panneau d`instruments
Capteurs
Contacteurs
Contrôleurs de moteur à circuit unique
Démarreurs
Lampes - avant, arrière et courtoisie
Modules
Relais
Réparation de câblage
Système de coussin anti-chocs
Toit décapotable-Electrique
Embrayage
Commandes d`embrayage
Pédales d`embrayage
Essuie-glace/barillet de serrure et clés
Barillets de serrure et clés
Essuie-glace et lave-glace
Etiquette tous emplacements de véhicule
Coffre
Intérieur
Portes
Sous le capot
Frein de stationnement
Freins, stationnement
Freins de service
Canalisations et flexibles de frein
Freins arrière
Freins avant
Maître-cylindre de frein et commande ABS
Pédales de frein
Servofrein
Garnissage intérieur
Carpette, moquettes, et insonorisants
Ceintures de sécurité-avant et arrière
Dispositifs de réglage, couvercles et écrans
Panneaux de garnissage de porte - Avant et arrière
Panneaux-moulures, plaques de protection
Pavillon, pare-soleil, et tablette arrière
Sièges arrière
Sièges avant
Montage du moteur
Moteur 2.0L 4 cyl. (Diesel)
Ventilation du carter
Moteur 2.0L quatre cylindres
Collecteurs
Culasse
Lubrification du moteur
Vilebrequin, piston et plateau d`entraînement
Moteur 2.4L quatre cylindres
Bloc-cylindre
Collecteurs
Culasse
Vilebrequin, piston et plateau d`entraînement
Moteur 2.7L six cylindres
Arbres à cames et soupapes
Bloc-cylindre
Collecteurs
Courroie de distribution et couvercle
Culasse
Identification du moteur
Lubrification du moteur
Ventilation du carter
Vilebrequin, piston et plateau d'entraînement
Moteur 3.5L six cylindres
Bloc-cylindre
Collecteurs
Courroie de distribution et couvercle
Lubrification du moteur
Ornementation extérieure
Moulures et décoration
Plaquettes d`identification
Panneau d`instruments, radios et consoles
Bloc du panneau d`instruments
Consoles
Panneau d`instruments
Radio, antenne, et haut-parleurs
Systèmes de divertissement
Portes et pièces apparentées
Joints d`étanchéité
Porte arrière
Porte avant
Rétroviseur extérieur
Refroidissement
Grilles
Pompe à eau et pièces apparentées
Poulies et pièces apparentées
Radiateur et pièces apparentées
Réservoir, liquide de refroidissement
Roues, enjoliveurs et crics
Arrimage de la roue de secours
Arrimage du cric
Enjoliveurs et chapeaux de roue
Roues et accessoires
Suspension arrière
Suspension avant et entraînement
Arbres de transmission d`essieu avant
Suspension avant
Systèmes antipollution
Boîtier de purge à dépression
Circuit de recirculation des gaz d`échappement
Tôles de caisse sauf portes
Aile avant
Auvent et tablier
Bouchons
Capot et déverrouillage du capot
Couvercle du coffre et hayon
Cuvettes du plancher
Ecrans pare-boue-joints
Panneaux d`ouverture
Panneaux de custode
Panneaux de toit
Pare-brise, support de rétroviseur et rétroviseur central (glace et rétroviseur)
Tablette arrière
Toit ouvrant
Trans manu NVG 5 vit
Commandes de sélection de rapport
Ensemble de boîte-pont
Audio/vidéo et équipement électronique
Système Uconnect, technologie sans fil BluetoothMD et iPodMD
Systèmes de divertissement
Extérieur
Roues
Verrous
Intérieur
Housses de sièges et cache-bagages
Tapis protecteurs
Performance
Réchauffeurs
Porte-équipements et remorquage
Attelages et remorquage
Porte-bagages et porte-équipement
Parcourir les catégories
×
Sélectionnez la catégorie
Tous
Pièce
Accessoires
Audio/vidéo et équipement électronique
Système Uconnect, technologie sans fil BluetoothMD et iPodMD
Systèmes de divertissement
Boîte de vitesses automatique 4 vitesses
Carter et extension
Commandes de sélection de rapport
Boîte-pont automatique 6 vitesses
Carter et extension
Commandes de sélection de rapport
Ensemble de boîte-pont
Pompe à huile
Boîte-pont manuelle Aisin 6 rapports
Commandes de sélection de rapport
Cadres et pare-chocs
Cadres
Pare-chocs arrière et revêtement
Pare-chocs avant et revêtement
Carburant
Corps du papillon
Epurateur d`air
Pédale d`accélérateur
Rampe à carburant
Réservoir, carburant
Tube de remplissage du réservoir à carburant
Climatisation et chauffage
Commandes de climatisation/chauffage
Compresseur de climatisation
Conduits et sorties d`air
Tuyauterie de climatisation/chauffage
Unités de climatisation/chauffage
Direction
Boîtier de direction
Colonne de direction
Durites de direction assistée
Pompe de direction assistée
Volant de direction
Echappement
Circuit d`échappement
Ecrans thermiques
Electricité
Alternateurs
Avertisseurs sonores
Berceau et câbles de batterie
Bougies-câbles-bobines
Câblage-Caisse et accessoires
Câblage-moteur et pièces apparentées
Câblage-panneau d`instruments
Capteurs
Contacteurs
Contrôleurs de moteur à circuit unique
Démarreurs
Lampes - avant, arrière et courtoisie
Modules
Relais
Réparation de câblage
Système de coussin anti-chocs
Toit décapotable-Electrique
Embrayage
Commandes d`embrayage
Pédales d`embrayage
Essuie-glace/barillet de serrure et clés
Barillets de serrure et clés
Essuie-glace et lave-glace
Etiquette tous emplacements de véhicule
Coffre
Intérieur
Portes
Sous le capot
Extérieur
Roues
Verrous
Frein de stationnement
Freins, stationnement
Freins de service
Canalisations et flexibles de frein
Freins arrière
Freins avant
Maître-cylindre de frein et commande ABS
Pédales de frein
Servofrein
Garnissage intérieur
Carpette, moquettes, et insonorisants
Ceintures de sécurité-avant et arrière
Dispositifs de réglage, couvercles et écrans
Panneaux de garnissage de porte - Avant et arrière
Panneaux-moulures, plaques de protection
Pavillon, pare-soleil, et tablette arrière
Sièges arrière
Sièges avant
Intérieur
Housses de sièges et cache-bagages
Tapis protecteurs
Montage du moteur
Moteur 2.0L 4 cyl. (Diesel)
Ventilation du carter
Moteur 2.0L quatre cylindres
Collecteurs
Culasse
Lubrification du moteur
Vilebrequin, piston et plateau d`entraînement
Moteur 2.4L quatre cylindres
Bloc-cylindre
Collecteurs
Culasse
Vilebrequin, piston et plateau d`entraînement
Moteur 2.7L six cylindres
Arbres à cames et soupapes
Bloc-cylindre
Collecteurs
Courroie de distribution et couvercle
Culasse
Identification du moteur
Lubrification du moteur
Ventilation du carter
Vilebrequin, piston et plateau d'entraînement
Moteur 3.5L six cylindres
Bloc-cylindre
Collecteurs
Courroie de distribution et couvercle
Lubrification du moteur
Ornementation extérieure
Moulures et décoration
Plaquettes d`identification
Panneau d`instruments, radios et consoles
Bloc du panneau d`instruments
Consoles
Panneau d`instruments
Radio, antenne, et haut-parleurs
Systèmes de divertissement
Performance
Réchauffeurs
Porte-équipements et remorquage
Attelages et remorquage
Porte-bagages et porte-équipement
Portes et pièces apparentées
Joints d`étanchéité
Porte arrière
Porte avant
Rétroviseur extérieur
Refroidissement
Grilles
Pompe à eau et pièces apparentées
Poulies et pièces apparentées
Radiateur et pièces apparentées
Réservoir, liquide de refroidissement
Roues, enjoliveurs et crics
Arrimage de la roue de secours
Arrimage du cric
Enjoliveurs et chapeaux de roue
Roues et accessoires
Suspension arrière
Suspension avant et entraînement
Arbres de transmission d`essieu avant
Suspension avant
Systèmes antipollution
Boîtier de purge à dépression
Circuit de recirculation des gaz d`échappement
Tôles de caisse sauf portes
Aile avant
Auvent et tablier
Bouchons
Capot et déverrouillage du capot
Couvercle du coffre et hayon
Cuvettes du plancher
Ecrans pare-boue-joints
Panneaux d`ouverture
Panneaux de custode
Panneaux de toit
Pare-brise, support de rétroviseur et rétroviseur central (glace et rétroviseur)
Tablette arrière
Toit ouvrant
Trans manu NVG 5 vit
Commandes de sélection de rapport
Ensemble de boîte-pont
Boîte de vitesses automatique 4 vitesses
Carter et extension
Commandes de sélection de rapport
Boîte-pont automatique 6 vitesses
Carter et extension
Commandes de sélection de rapport
Ensemble de boîte-pont
Pompe à huile
Boîte-pont manuelle Aisin 6 rapports
Commandes de sélection de rapport
Cadres et pare-chocs
Cadres
Pare-chocs arrière et revêtement
Pare-chocs avant et revêtement
Carburant
Corps du papillon
Epurateur d`air
Pédale d`accélérateur
Rampe à carburant
Réservoir, carburant
Tube de remplissage du réservoir à carburant
Climatisation et chauffage
Commandes de climatisation/chauffage
Compresseur de climatisation
Conduits et sorties d`air
Tuyauterie de climatisation/chauffage
Unités de climatisation/chauffage
Direction
Boîtier de direction
Colonne de direction
Durites de direction assistée
Pompe de direction assistée
Volant de direction
Echappement
Circuit d`échappement
Ecrans thermiques
Electricité
Alternateurs
Avertisseurs sonores
Berceau et câbles de batterie
Bougies-câbles-bobines
Câblage-Caisse et accessoires
Câblage-moteur et pièces apparentées
Câblage-panneau d`instruments
Capteurs
Contacteurs
Contrôleurs de moteur à circuit unique
Démarreurs
Lampes - avant, arrière et courtoisie
Modules
Relais
Réparation de câblage
Système de coussin anti-chocs
Toit décapotable-Electrique
Embrayage
Commandes d`embrayage
Pédales d`embrayage
Essuie-glace/barillet de serrure et clés
Barillets de serrure et clés
Essuie-glace et lave-glace
Etiquette tous emplacements de véhicule
Coffre
Intérieur
Portes
Sous le capot
Frein de stationnement
Freins, stationnement
Freins de service
Canalisations et flexibles de frein
Freins arrière
Freins avant
Maître-cylindre de frein et commande ABS
Pédales de frein
Servofrein
Garnissage intérieur
Carpette, moquettes, et insonorisants
Ceintures de sécurité-avant et arrière
Dispositifs de réglage, couvercles et écrans
Panneaux de garnissage de porte - Avant et arrière
Panneaux-moulures, plaques de protection
Pavillon, pare-soleil, et tablette arrière
Sièges arrière
Sièges avant
Montage du moteur
Moteur 2.0L 4 cyl. (Diesel)
Ventilation du carter
Moteur 2.0L quatre cylindres
Collecteurs
Culasse
Lubrification du moteur
Vilebrequin, piston et plateau d`entraînement
Moteur 2.4L quatre cylindres
Bloc-cylindre
Collecteurs
Culasse
Vilebrequin, piston et plateau d`entraînement
Moteur 2.7L six cylindres
Arbres à cames et soupapes
Bloc-cylindre
Collecteurs
Courroie de distribution et couvercle
Culasse
Identification du moteur
Lubrification du moteur
Ventilation du carter
Vilebrequin, piston et plateau d'entraînement
Moteur 3.5L six cylindres
Bloc-cylindre
Collecteurs
Courroie de distribution et couvercle
Lubrification du moteur
Ornementation extérieure
Moulures et décoration
Plaquettes d`identification
Panneau d`instruments, radios et consoles
Bloc du panneau d`instruments
Consoles
Panneau d`instruments
Radio, antenne, et haut-parleurs
Systèmes de divertissement
Portes et pièces apparentées
Joints d`étanchéité
Porte arrière
Porte avant
Rétroviseur extérieur
Refroidissement
Grilles
Pompe à eau et pièces apparentées
Poulies et pièces apparentées
Radiateur et pièces apparentées
Réservoir, liquide de refroidissement
Roues, enjoliveurs et crics
Arrimage de la roue de secours
Arrimage du cric
Enjoliveurs et chapeaux de roue
Roues et accessoires
Suspension arrière
Suspension avant et entraînement
Arbres de transmission d`essieu avant
Suspension avant
Systèmes antipollution
Boîtier de purge à dépression
Circuit de recirculation des gaz d`échappement
Tôles de caisse sauf portes
Aile avant
Auvent et tablier
Bouchons
Capot et déverrouillage du capot
Couvercle du coffre et hayon
Cuvettes du plancher
Ecrans pare-boue-joints
Panneaux d`ouverture
Panneaux de custode
Panneaux de toit
Pare-brise, support de rétroviseur et rétroviseur central (glace et rétroviseur)
Tablette arrière
Toit ouvrant
Trans manu NVG 5 vit
Commandes de sélection de rapport
Ensemble de boîte-pont
Audio/vidéo et équipement électronique
Système Uconnect, technologie sans fil BluetoothMD et iPodMD
Systèmes de divertissement
Extérieur
Roues
Verrous
Intérieur
Housses de sièges et cache-bagages
Tapis protecteurs
Performance
Réchauffeurs
Porte-équipements et remorquage
Attelages et remorquage
Porte-bagages et porte-équipement
Panneau d`instruments pour 2007 Chrysler Sebring
1
518,48 $ CAD
Panneau D`instruments Renfort
Mopar
INSTRUMENT PANEL
10
20,41 $ CAD
Volet De Boîte à Gants Butee
Mopar
GLOVE BOX DOOR
11
63,16 $ CAD
Colonne De Direction Couvercle
Mopar
70,09 $ CAD
Colonne De Direction Couvercle
Mopar
34,85 $ CAD
Colonne De Direction Couvercle
Mopar
STEERING COLUMN
12
52,07 $ CAD
Fermeture, Panneau D'instruments Panneau, Côté Gauche
Mopar
INSTRUMENT PANEL CLOSEOUT
13
60,10 $ CAD
Fermeture, Panneau D'instruments Panneau, Côté Droit
Mopar
INSTRUMENT PANEL CLOSEOUT
14
Couvercle De Colonne De Direction Raidisseur
Mopar
(Unavailable)
2
217,45 $ CAD
Panneau D`instruments Rembourrage
Mopar
INSTRUMENT PANEL
217,45 $ CAD
Panneau D`instruments Rembourrage
Mopar
INSTRUMENT PANEL
217,45 $ CAD
Panneau D`instruments Rembourrage
Mopar
INSTRUMENT PANEL
3
542,46 $ CAD
Panneau D`instruments Panneau
Mopar
INSTRUMENT PANEL
459,96 $ CAD
Panneau D`instruments Panneau
Mopar
INSTRUMENT PANEL
530,47 $ CAD
Panneau D`instruments Panneau
Mopar
INSTRUMENT PANEL
4
12,31 $ CAD
Extrémit_ Du Panneau D`instruments Couvercle, Côté Gauche
Mopar
8,66 $ CAD
Extrémit_ Du Panneau D`instruments Couvercle, Côté Gauche
Mopar
Extrémit_ Du Panneau D`instruments Couvercle, Côté Gauche
Mopar
(Unavailable)
5
10,13 $ CAD
Extrémit_ Du Panneau D`instruments Couvercle, Côté Droit
Mopar
9,07 $ CAD
Extrémit_ Du Panneau D`instruments Couvercle, Côté Droit
Mopar
Extrémit_ Du Panneau D`instruments Couvercle, Côté Droit
Mopar
(Unavailable)
6
Panneau D`instruments Boite A Gants
Mopar
(Unavailable)
Panneau D`instruments Boite A Gants
Mopar
(Unavailable)
Panneau D`instruments Boite A Gants
Mopar
(Unavailable)
7
39,23 $ CAD
Volet De Boîte à Gants Loquet
Mopar
36,96 $ CAD
Volet De Boîte à Gants Loquet
Mopar
40,88 $ CAD
Volet De Boîte à Gants Loquet
Mopar
9
Loquet De Volet De Boîte à Gants Vertenelle
Mopar
(Unavailable)
N°
Numéro de pièce / Description
/ Prix
Prix
N/A
Remorquage Crochet
05116161AE
Mopar
Description:
TOW
PDSF
82,70 $ CAD
57,55 $ CAD
-
+
Ajouter au panier
PDSF
82,70 $ CAD
57,55 $ CAD
-
+
Ajouter au panier
1
Panneau D`instruments Renfort
05291682AG
Mopar
Description:
INSTRUMENT PANEL
Afficher les détails
Afficher les détails
2
Panneau D`instruments Rembourrage
0YH10XDHAC
Mopar
Description:
INSTRUMENT PANEL
Afficher les détails
Afficher les détails
2
Panneau D`instruments Rembourrage
0YH10DK5AC
Mopar
Description:
INSTRUMENT PANEL
Afficher les détails
Afficher les détails
2
Panneau D`instruments Rembourrage
0YH10ZJ8AC
Mopar
Description:
INSTRUMENT PANEL
Afficher les détails
Afficher les détails
3
Panneau D`instruments Panneau
0XS911DBAF
Mopar
Description:
INSTRUMENT PANEL
Afficher les détails
Afficher les détails
3
Panneau D`instruments Panneau
0XS911D1AF
Mopar
Description:
INSTRUMENT PANEL
Afficher les détails
Afficher les détails
3
Panneau D`instruments Panneau
0XS911T1AF
Mopar
Description:
INSTRUMENT PANEL
Afficher les détails
Afficher les détails
4
Extrémit_ Du Panneau D`instruments Couvercle, Côté Gauche
0XS89BD1AC
Mopar
Afficher les détails
Afficher les détails
4
Extrémit_ Du Panneau D`instruments Couvercle, Côté Gauche
0XS89XT1AC
Mopar
Afficher les détails
Afficher les détails
4
Extrémit_ Du Panneau D`instruments Couvercle, Côté Gauche
0XS89XDBAA
Mopar
Afficher les détails
Afficher les détails
5
Extrémit_ Du Panneau D`instruments Couvercle, Côté Droit
0XS90BD1AC
Mopar
Afficher les détails
Afficher les détails
5
Extrémit_ Du Panneau D`instruments Couvercle, Côté Droit
0XS90XT1AC
Mopar
Afficher les détails
Afficher les détails
5
Extrémit_ Du Panneau D`instruments Couvercle, Côté Droit
0XS90XDBAA
Mopar
Afficher les détails
Afficher les détails
6
Panneau D`instruments Boite A Gants
1AE15XDBAC
Mopar
Afficher les détails
Afficher les détails
6
Panneau D`instruments Boite A Gants
1AE15BD1AC
Mopar
Afficher les détails
Afficher les détails
6
Panneau D`instruments Boite A Gants
1AE15XT1AC
Mopar
Afficher les détails
Afficher les détails
7
Volet De Boîte à Gants Loquet
5JM53XDBAE
Mopar
Afficher les détails
Afficher les détails
7
Volet De Boîte à Gants Loquet
5JM53XT1AE
Mopar
Afficher les détails
Afficher les détails
7
Volet De Boîte à Gants Loquet
5JM53BD1AE
Mopar
Afficher les détails
Afficher les détails
9
Loquet De Volet De Boîte à Gants Vertenelle
05258014AA
Mopar
Afficher les détails
Afficher les détails
10
Volet De Boîte à Gants Butee
05291871AD
Mopar
Description:
GLOVE BOX DOOR
Afficher les détails
Afficher les détails
11
Colonne De Direction Couvercle
1EJ26BD1AC
Mopar
Afficher les détails
Afficher les détails
11
Colonne De Direction Couvercle
1EJ26XDBAC
Mopar
Afficher les détails
Afficher les détails
11
Colonne De Direction Couvercle
1EJ26XT1AC
Mopar
Description:
STEERING COLUMN
Afficher les détails
Afficher les détails
12
Fermeture, Panneau D'instruments Panneau, Côté Gauche
05291875AE
Mopar
Description:
INSTRUMENT PANEL CLOSEOUT
Afficher les détails
Afficher les détails
13
Fermeture, Panneau D'instruments Panneau, Côté Droit
05291874AE
Mopar
Description:
INSTRUMENT PANEL CLOSEOUT
Afficher les détails
Afficher les détails
14
Couvercle De Colonne De Direction Raidisseur
05291872AB
Mopar
Afficher les détails
Afficher les détails
1
60,10 $ CAD
Fermeture, Panneau D'instruments Panneau, Côté Droit
Mopar
INSTRUMENT PANEL CLOSEOUT
2
52,07 $ CAD
Fermeture, Panneau D'instruments Panneau, Côté Gauche
Mopar
INSTRUMENT PANEL CLOSEOUT
3
Dégivrage Grille
Mopar
(Unavailable)
Dégivrage Grille
Mopar
(Unavailable)
Dégivrage Grille
Mopar
(Unavailable)
Dégivrage Grille
Mopar
(Unavailable)
Dégivrage Grille
Mopar
(Unavailable)
Voir plus de produits
4
Haut-parleur Du Panneau D`instruments Grille
Mopar
(Unavailable)
Haut-parleur Du Panneau D`instruments Grille
Mopar
(Unavailable)
Haut-parleur Du Panneau D`instruments Grille
Mopar
(Unavailable)
5
142,85 $ CAD
Panneau D`instruments Encadrement
Mopar
Centre
Panneau D`instruments Encadrement
Mopar
Centre
(Unavailable)
6
111,54 $ CAD
Bloc D`instruments Encadrement
Mopar
INSTRUMENT CLUSTER
141,57 $ CAD
Bloc D`instruments Encadrement
Mopar
INSTRUMENT CLUSTER
111,28 $ CAD
Bloc D`instruments Encadrement
Mopar
INSTRUMENT CLUSTER
124,26 $ CAD
Bloc D`instruments Encadrement
Mopar
INSTRUMENT CLUSTER
120,50 $ CAD
Bloc D`instruments Encadrement
Mopar
INSTRUMENT CLUSTER
7
Panneau D`instruments Encadrement
Mopar
(Unavailable)
Panneau D`instruments Encadrement
Mopar
(Unavailable)
Panneau D`instruments Encadrement
Mopar
(Unavailable)
8
161,06 $ CAD
Panneau D`instruments Encadrement, Applique
Mopar
INSTRUMENT PANEL
53,64 $ CAD
Panneau D`instruments Encadrement, Applique
Mopar
INSTRUMENT PANEL
N°
Numéro de pièce / Description
/ Prix
Prix
N/A
Horloge
04602626AD
Mopar
Afficher les détails
Afficher les détails
N/A
Fixation
05098128AA
Mopar
Description:
Goupille à emboîter
Afficher les détails
Afficher les détails
1
Fermeture, Panneau D'instruments Panneau, Côté Droit
05291874AE
Mopar
Description:
INSTRUMENT PANEL CLOSEOUT
Afficher les détails
Afficher les détails
2
Fermeture, Panneau D'instruments Panneau, Côté Gauche
05291875AE
Mopar
Description:
INSTRUMENT PANEL CLOSEOUT
Afficher les détails
Afficher les détails
3
Dégivrage Grille
1AM76XDHAC
Mopar
Afficher les détails
Afficher les détails
3
Dégivrage Grille
1AM76DK5AC
Mopar
Afficher les détails
Afficher les détails
3
Dégivrage Grille
1AM76XDVAC
Mopar
Afficher les détails
Afficher les détails
3
Dégivrage Grille
1AM76ZJ8AC
Mopar
Afficher les détails
Afficher les détails
3
Dégivrage Grille
0XT01XDVAC
Mopar
Afficher les détails
Afficher les détails
3
Dégivrage Grille
0XT01DK5AC
Mopar
Description:
DEFROSTER
Afficher les détails
Afficher les détails
4
Haut-parleur Du Panneau D`instruments Grille
1BJ48XDHAB
Mopar
Afficher les détails
Afficher les détails
4
Haut-parleur Du Panneau D`instruments Grille
1BJ48DK5AB
Mopar
Afficher les détails
Afficher les détails
4
Haut-parleur Du Panneau D`instruments Grille
1BJ48ZJ8AB
Mopar
Afficher les détails
Afficher les détails
5
Panneau D`instruments Encadrement
0XT05ESGAE
Mopar
Description:
Centre
Afficher les détails
Afficher les détails
5
Panneau D`instruments Encadrement
0XT05DSFAB
Mopar
Description:
Centre
Afficher les détails
Afficher les détails
6
Bloc D`instruments Encadrement
0XS96XDHAD
Mopar
Description:
INSTRUMENT CLUSTER
Afficher les détails
Afficher les détails
6
Bloc D`instruments Encadrement
0YH181K5AD
Mopar
Description:
INSTRUMENT CLUSTER
Afficher les détails
Afficher les détails
6
Bloc D`instruments Encadrement
0XS96ZJ8AD
Mopar
Description:
INSTRUMENT CLUSTER
Afficher les détails
Afficher les détails
6
Bloc D`instruments Encadrement
0YH181DHAD
Mopar
Description:
INSTRUMENT CLUSTER
Afficher les détails
Afficher les détails
6
Bloc D`instruments Encadrement
0YH181J8AD
Mopar
Description:
INSTRUMENT CLUSTER
Afficher les détails
Afficher les détails
7
Panneau D`instruments Encadrement
1FH89XDHAB
Mopar
Afficher les détails
Afficher les détails
7
Panneau D`instruments Encadrement
1FH89ZJ8AB
Mopar
Afficher les détails
Afficher les détails
7
Panneau D`instruments Encadrement
1FH89DK5AB
Mopar
Afficher les détails
Afficher les détails
8
Panneau D`instruments Encadrement, Applique
05258011AB
Mopar
Description:
INSTRUMENT PANEL
Afficher les détails
Afficher les détails
8
Panneau D`instruments Encadrement, Applique
05258010AA
Mopar
Description:
INSTRUMENT PANEL
Afficher les détails
Afficher les détails