Bloc-cylindre pour 2014 Ram 2500
N°
Numéro de pièce / Description / Prix
Prix
1
Bloc Long Moteur 1
Mopar
Mopar Remarques: Engines: 6.4L HEAVY DUTY V8 HEMI WITH MDS. Transmissions: 6-SPD AUTOMATIC 66RFE TRANSMISSION.
Description: AVERTISSEMENT DE SERVICE : Si le moteur d’origine a rencontré une défaillance catastrophique, y compris une défaillance du piston, de l’alésage du cylindre, de la soupape ou du siège de soupape, la tubulure d’admission doit être remplacée par une tubulure neuve.
5
Bloc-cylindres Bouchon
Mopar
Mopar Remarques: Engines: 5.7L V8 HEMI CNG ENGINE. 5.7L V8 HEMI VVT Engine. 6.4L HEAVY DUTY V8 HEMI WITH MDS.
Description: [0.375-18x1.343]. Bloc de rampe d'huile
PDSF 12,95 $ CAD
9,31 $ CAD
PDSF 12,95 $ CAD
9,31 $ CAD
6
Goupille De Cheville, Montage
Mopar
Mopar Remarques: Engines: 5.7L V8 HEMI CNG ENGINE. 5.7L V8 HEMI VVT Engine. 6.4L HEAVY DUTY V8 HEMI WITH MDS.
Description: La trousse de goupilles de l’article 13 est également contenue dans la trousse de bloc-moteur embiellé. Tous les bouchons et toutes les goupilles doivent être installés sur le bloc-cylindres avant d’installer le moteur.. Entre les culasses et le bloc-cylindres
PDSF 15,15 $ CAD
9,07 $ CAD
PDSF 15,15 $ CAD
9,07 $ CAD
7
Douille Hexagonale Bouchon
Mopar
Mopar Remarques: Engines: 5.7L V8 HEMI CNG ENGINE. 5.7L V8 HEMI VVT Engine. 6.4L HEAVY DUTY V8 HEMI WITH MDS.
Description: 3/8-18NPTx0,475. Réparé aussi avec couvercle. Carter de chaîne, couvercle
PDSF 16,60 $ CAD
9,96 $ CAD
PDSF 16,60 $ CAD
9,96 $ CAD
13
Bouchon, Arrière
Mopar
Mopar Remarques: Engines: 5.7L V8 HEMI CNG ENGINE. 5.7L V8 HEMI VVT Engine. 6.4L HEAVY DUTY V8 HEMI WITH MDS.
Description: [M47.93 DI 6.4 EP 51.5 DI FL]. Arbre à cames
PDSF 12,95 $ CAD
9,31 $ CAD
PDSF 12,95 $ CAD
9,31 $ CAD
15
Cheville Goupille, Retenue De Bague D`étanchéité
Mopar
Mopar Remarques: Engines: 5.7L V8 HEMI CNG ENGINE. 5.7L V8 HEMI VVT Engine. 6.4L HEAVY DUTY V8 HEMI WITH MDS.
Description: Aussi réparé dans ens de retenue
16
Tuyau Bouchon
Mopar
Mopar Remarques: Engines: 5.7L V8 HEMI CNG ENGINE. 5.7L V8 HEMI VVT Engine. 6.4L HEAVY DUTY V8 HEMI WITH MDS.
Description: 0.250-18X0,413. Canalisation de graissage et côté central droit arrière du bloc-cylindres
PDSF 6,75 $ CAD
4,86 $ CAD
PDSF 6,75 $ CAD
4,86 $ CAD
19
Tête Collerette Hexagonale Boulon, Montage
Mopar
Mopar Remarques: Engines: 5.7L V8 HEMI CNG ENGINE. 5.7L V8 HEMI VVT Engine. 6.4L HEAVY DUTY V8 HEMI WITH MDS.
Description: M6X1,00X24,00. Retenue de bague d'étanchéité arrière de vilebrequin vers bloc-cylindres
PDSF 4,40 $ CAD
3,16 $ CAD
PDSF 4,40 $ CAD
3,16 $ CAD
22
Bouchon, Côtés Droit Et Gauche
Mopar
Mopar Remarques: Engines: 5.7L V8 HEMI CNG ENGINE. 5.7L V8 HEMI VVT Engine. 6.4L HEAVY DUTY V8 HEMI WITH MDS.
Description: 0,250-18X0,690. Vidange de liquide de bloc-cylindres
PDSF 18,70 $ CAD
13,45 $ CAD
PDSF 18,70 $ CAD
13,45 $ CAD
23
Hexagonale Vis Et Rondelle, Montage
Mopar
Mopar Remarques: Engines: 5.7L V8 HEMI CNG ENGINE. 5.7L V8 HEMI VVT Engine. 6.4L HEAVY DUTY V8 HEMI WITH MDS.
Description: [M8X1,25X45,00]. Chapeau de palier principal / bloc-cylindres
PDSF 7,55 $ CAD
5,42 $ CAD
PDSF 7,55 $ CAD
5,42 $ CAD
26
Cheville Goupille, Montage
Mopar
Mopar Remarques: Engines: 5.7L V8 HEMI CNG ENGINE. 5.7L V8 HEMI VVT Engine. 6.4L HEAVY DUTY V8 HEMI WITH MDS.
Description: M8X10,00. Carter de distribution avant vers bloc-cylindres
PDSF 12,60 $ CAD
9,07 $ CAD
PDSF 12,60 $ CAD
9,07 $ CAD
27
28
Tête Collerette Hexagonale Boulon, Montage
Mopar
Mopar Remarques: Engines: 6.4L HEAVY DUTY V8 HEMI WITH MDS.
Description: M6x1.00x12.00. Retenue arrière de bague d'étanchéité de vilebrequin arrière vers bloc-cylindres
PDSF 11,60 $ CAD
8,34 $ CAD
PDSF 11,60 $ CAD
8,34 $ CAD
31
Disque Clavette
Mopar
Mopar Remarques: Engines: 5.7L V8 HEMI CNG ENGINE. 5.7L V8 HEMI VVT Engine. 6.4L HEAVY DUTY V8 HEMI WITH MDS.
Description: Vilebrequin, roue dentée
PDSF 11,40 $ CAD
8,18 $ CAD
PDSF 11,40 $ CAD
8,18 $ CAD
32
Vilebrequin
Mopar
Mopar Remarques: Engines: 6.4L HEAVY DUTY V8 HEMI WITH MDS.
Description: Nouveau numéro de pièce pour 2013. Non interchangeable avec le vilebrequin 2012 et modèle antérieur
38
Collerette Hexagonale Vis, Montage
Mopar
Mopar Remarques: Engines: 5.7L V8 HEMI CNG ENGINE. 5.7L V8 HEMI VVT Engine. 6.4L HEAVY DUTY V8 HEMI WITH MDS.
Description: M14x2.00x80.00. [M12x1,75x91,2]. Chapeau de palier principal / bloc-cylindres
PDSF 4,65 $ CAD
3,32 $ CAD
PDSF 4,65 $ CAD
3,32 $ CAD
39
À Deux Bouts Goujon
Mopar
Mopar Remarques: Engines: 5.7L V8 HEMI CNG ENGINE. 5.7L V8 HEMI VVT Engine. 6.4L HEAVY DUTY V8 HEMI WITH MDS.
Description: M12 x 1,75 x 1,25 x 152,1. Du chapeau de palier principal au bloc-cylindres
PDSF 15,30 $ CAD
11,02 $ CAD
PDSF 15,30 $ CAD
11,02 $ CAD
1 Ce prix ne comprend pas les frais de dépôt de reprise remboursables du fabricant. Ajoutez la pièce à votre panier pour voir le dépôt de reprise.
N°
Numéro de pièce / Description / Prix
Prix
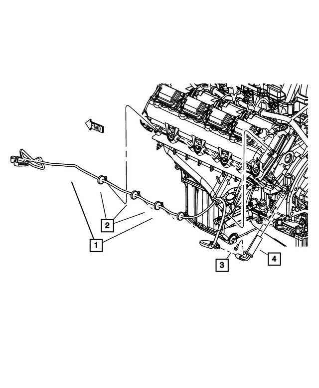
1
Chauffage Du Bloc Moteur Cordon
Mopar
Mopar Remarques: Engines: 6.4L HEAVY DUTY V8 HEMI WITH MDS.
Description: À utiliser sur les modèles construits à partir du 09/11/2013
3
Tête Hexagonale Boulon, Montage
Mopar
Mopar Remarques: Engines: 5.7L V8 HEMI CNG ENGINE. 5.7L V8 HEMI VVT Engine. 6.4L HEAVY DUTY V8 HEMI WITH MDS.
Description: M6x1,00x20,00. Chauffage de bloc-moteur à bloc-cylindres
4
Bloc Moteur Chauffage
Mopar
Mopar Remarques: Engines: 5.7L V8 HEMI CNG ENGINE. 5.7L V8 HEMI VVT Engine. 6.4L HEAVY DUTY V8 HEMI WITH MDS.
Description: Includes Mounting Hardware. Engine Block Heater To Cylinder Block.
PDSF 175,00 $ CAD
116,89 $ CAD
PDSF 175,00 $ CAD
116,89 $ CAD


