Circuit de refroidissement EGR pour 2014 Ram 2500
Catégories
- Bloc hydraulique, accumulateur, solénoïde et haricot de stationnement
- Carter, extension, carter d'huile et témoin (jauge)
- Commandes de sélection de rapport et pièces apparentées
- Embrayages
- Ensembles de joints et cales
- Fixation et plaque de protection
- Pompe à huile
- Train de pignons
- Transmission automatique / boîte-pont et convertisseur de couple
- Allumage, bougies, câbles, bobines et bougies de préchauffage
- Assistance au stationnement
- Avertisseurs sonores
- Batterie, support de batterie et câbles
- Bloc du panneau d`instruments
- Câblage du groupe motopropulseur
- Câblage et réparation
- Câblage-panneau d`instruments
- Câblage, caisse et accessoires
- Câblage, projecteur/panneau
- Capteurs
- Centre de distribution, bloc-fusibles, boîte de jonction, relais et fusibles
- Clés, modules et unités de commande de moteur
- Contacteurs
- Démarreurs
- Essuie-glace et lave-glace
- Générateurs/Alternateurs
- Lampes-intérieur et extérieur
- Navigation
- Radio, antenne, haut-parleurs, systèmes DVD et vidéo
- Compartiment arrière de rangement
- Consoles
- Panneau d`instruments
- Panneaux – moulures – plaques de protection, pied, auvent, garniture de panneau 1/4 et cache-bagages
- Panneaux de garnissage de porte – avant et arrière
- Pavillons – pare-soleil – courroies de maintien
- Sièges arrière-Deuxième rangée
- Sièges arrière-Deuxième rangée-Dispositifs de réglage, d'inclinaison et élévateurs
- Sièges avant-Dispositifs de réglage, d'inclinaison et élévateurs
- Sièges avant-Première rangée
- Tapis, plancher d'espace de charge et isolations
- Arbre à cames et soupape
- Bloc-cylindre
- Collecteurs et raccord de dépression
- Courroie/Chaîne et couvercle de distribution et arbre d'équilibrage
- Culasse
- Identification de moteur, entretiens des moteurs et trousses de réparation du moteur
- Lubrification de moteur, carter d'huile et témoin (jauge)
- Montage du moteur
- Ventilation du carter
- Vilebrequin, piston, entraînement, volant et amortisseur
- Bloc hydraulique, accumulateur, solénoïde et haricot de stationnement
- Carter, extension, carter d'huile et témoin (jauge)
- Commandes de sélection de rapport et pièces apparentées
- Embrayages
- Ensembles de joints et cales
- Fixation et plaque de protection
- Pompe à huile
- Train de pignons
- Transmission automatique / boîte-pont et convertisseur de couple
- Allumage, bougies, câbles, bobines et bougies de préchauffage
- Assistance au stationnement
- Avertisseurs sonores
- Batterie, support de batterie et câbles
- Bloc du panneau d`instruments
- Câblage du groupe motopropulseur
- Câblage et réparation
- Câblage-panneau d`instruments
- Câblage, caisse et accessoires
- Câblage, projecteur/panneau
- Capteurs
- Centre de distribution, bloc-fusibles, boîte de jonction, relais et fusibles
- Clés, modules et unités de commande de moteur
- Contacteurs
- Démarreurs
- Essuie-glace et lave-glace
- Générateurs/Alternateurs
- Lampes-intérieur et extérieur
- Navigation
- Radio, antenne, haut-parleurs, systèmes DVD et vidéo
- Compartiment arrière de rangement
- Consoles
- Panneau d`instruments
- Panneaux – moulures – plaques de protection, pied, auvent, garniture de panneau 1/4 et cache-bagages
- Panneaux de garnissage de porte – avant et arrière
- Pavillons – pare-soleil – courroies de maintien
- Sièges arrière-Deuxième rangée
- Sièges arrière-Deuxième rangée-Dispositifs de réglage, d'inclinaison et élévateurs
- Sièges avant-Dispositifs de réglage, d'inclinaison et élévateurs
- Sièges avant-Première rangée
- Tapis, plancher d'espace de charge et isolations
- Arbre à cames et soupape
- Bloc-cylindre
- Collecteurs et raccord de dépression
- Courroie/Chaîne et couvercle de distribution et arbre d'équilibrage
- Culasse
- Identification de moteur, entretiens des moteurs et trousses de réparation du moteur
- Lubrification de moteur, carter d'huile et témoin (jauge)
- Montage du moteur
- Ventilation du carter
- Vilebrequin, piston, entraînement, volant et amortisseur
Parcourir les catégories
Sélectionnez la catégorie
- Bloc hydraulique, accumulateur, solénoïde et haricot de stationnement
- Carter, extension, carter d'huile et témoin (jauge)
- Commandes de sélection de rapport et pièces apparentées
- Embrayages
- Ensembles de joints et cales
- Fixation et plaque de protection
- Pompe à huile
- Train de pignons
- Transmission automatique / boîte-pont et convertisseur de couple
- Allumage, bougies, câbles, bobines et bougies de préchauffage
- Assistance au stationnement
- Avertisseurs sonores
- Batterie, support de batterie et câbles
- Bloc du panneau d`instruments
- Câblage du groupe motopropulseur
- Câblage et réparation
- Câblage-panneau d`instruments
- Câblage, caisse et accessoires
- Câblage, projecteur/panneau
- Capteurs
- Centre de distribution, bloc-fusibles, boîte de jonction, relais et fusibles
- Clés, modules et unités de commande de moteur
- Contacteurs
- Démarreurs
- Essuie-glace et lave-glace
- Générateurs/Alternateurs
- Lampes-intérieur et extérieur
- Navigation
- Radio, antenne, haut-parleurs, systèmes DVD et vidéo
- Compartiment arrière de rangement
- Consoles
- Panneau d`instruments
- Panneaux – moulures – plaques de protection, pied, auvent, garniture de panneau 1/4 et cache-bagages
- Panneaux de garnissage de porte – avant et arrière
- Pavillons – pare-soleil – courroies de maintien
- Sièges arrière-Deuxième rangée
- Sièges arrière-Deuxième rangée-Dispositifs de réglage, d'inclinaison et élévateurs
- Sièges avant-Dispositifs de réglage, d'inclinaison et élévateurs
- Sièges avant-Première rangée
- Tapis, plancher d'espace de charge et isolations
- Arbre à cames et soupape
- Bloc-cylindre
- Collecteurs et raccord de dépression
- Courroie/Chaîne et couvercle de distribution et arbre d'équilibrage
- Culasse
- Identification de moteur, entretiens des moteurs et trousses de réparation du moteur
- Lubrification de moteur, carter d'huile et témoin (jauge)
- Montage du moteur
- Ventilation du carter
- Vilebrequin, piston, entraînement, volant et amortisseur
- Bloc hydraulique, accumulateur, solénoïde et haricot de stationnement
- Carter, extension, carter d'huile et témoin (jauge)
- Commandes de sélection de rapport et pièces apparentées
- Embrayages
- Ensembles de joints et cales
- Fixation et plaque de protection
- Pompe à huile
- Train de pignons
- Transmission automatique / boîte-pont et convertisseur de couple
- Allumage, bougies, câbles, bobines et bougies de préchauffage
- Assistance au stationnement
- Avertisseurs sonores
- Batterie, support de batterie et câbles
- Bloc du panneau d`instruments
- Câblage du groupe motopropulseur
- Câblage et réparation
- Câblage-panneau d`instruments
- Câblage, caisse et accessoires
- Câblage, projecteur/panneau
- Capteurs
- Centre de distribution, bloc-fusibles, boîte de jonction, relais et fusibles
- Clés, modules et unités de commande de moteur
- Contacteurs
- Démarreurs
- Essuie-glace et lave-glace
- Générateurs/Alternateurs
- Lampes-intérieur et extérieur
- Navigation
- Radio, antenne, haut-parleurs, systèmes DVD et vidéo
- Compartiment arrière de rangement
- Consoles
- Panneau d`instruments
- Panneaux – moulures – plaques de protection, pied, auvent, garniture de panneau 1/4 et cache-bagages
- Panneaux de garnissage de porte – avant et arrière
- Pavillons – pare-soleil – courroies de maintien
- Sièges arrière-Deuxième rangée
- Sièges arrière-Deuxième rangée-Dispositifs de réglage, d'inclinaison et élévateurs
- Sièges avant-Dispositifs de réglage, d'inclinaison et élévateurs
- Sièges avant-Première rangée
- Tapis, plancher d'espace de charge et isolations
- Arbre à cames et soupape
- Bloc-cylindre
- Collecteurs et raccord de dépression
- Courroie/Chaîne et couvercle de distribution et arbre d'équilibrage
- Culasse
- Identification de moteur, entretiens des moteurs et trousses de réparation du moteur
- Lubrification de moteur, carter d'huile et témoin (jauge)
- Montage du moteur
- Ventilation du carter
- Vilebrequin, piston, entraînement, volant et amortisseur
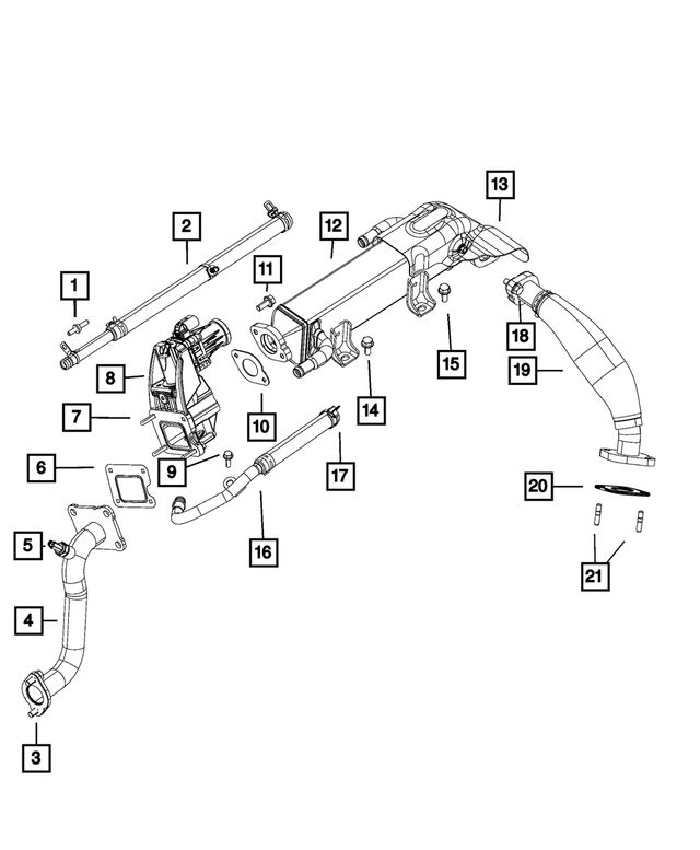
Circuit de refroidissement EGR pour 2014 Ram 2500
N°
Numéro de pièce / Description / Prix
Prix
1
Double Goujon, Montage, Inférieur
Mopar
Mopar Remarques: Engines: 5.7L V8 HEMI CNG ENGINE. 5.7L V8 HEMI VVT Engine. 6.4L HEAVY DUTY V8 HEMI WITH MDS.
PDSF 11,25 $ CAD
8,10 $ CAD
PDSF 11,25 $ CAD
8,10 $ CAD
2
RgÉ Tube
Mopar
Mopar Remarques: Engines: 6.4L HEAVY DUTY V8 HEMI WITH MDS.
Description: Entrée du liquide de refroidissement
PDSF 139,00 $ CAD
93,67 $ CAD
PDSF 139,00 $ CAD
93,67 $ CAD
3
Tête Collerette Hexagonale Boulon, Montage
Mopar
Mopar Remarques: Engines: 5.7L V8 HEMI CNG ENGINE. 5.7L V8 HEMI VVT Engine. 6.4L HEAVY DUTY V8 HEMI WITH MDS. Transmissions: 6-SPD AUTOMATIC 66RFE TRANSMISSION.
Description: M8x1,25x20,00. Du bouchon de conduite d’huile du carter d’huile supérieur au bloc-cylindres
PDSF 6,65 $ CAD
4,78 $ CAD
PDSF 6,65 $ CAD
4,78 $ CAD
4
Entre La Soupape RgÉ Et Le Refroidisseur Tube
Mopar
Mopar Remarques: Engines: 6.4L HEAVY DUTY V8 HEMI WITH MDS.
5
Température Egr Capteur
Mopar
Mopar Remarques: Engines: 6.4L HEAVY DUTY V8 HEMI WITH MDS.
Description: Charge Air Cooler Inlet Duct. Conduit d’admission du radiateur d’air de suralimentation
PDSF 91,60 $ CAD
62,09 $ CAD
PDSF 91,60 $ CAD
62,09 $ CAD
6
Soupape Egr Joint
Mopar
Mopar Remarques: Engines: 6.4L HEAVY DUTY V8 HEMI WITH MDS.
PDSF 31,40 $ CAD
22,60 $ CAD
PDSF 31,40 $ CAD
22,60 $ CAD
7
Clavette à Tête Hexagonale à Embase Boulon, Montage
Mopar
Mopar Remarques: Engines: 6.4L HEAVY DUTY V8 HEMI WITH MDS.
Description: M6X1,00X35,00. Écran thermique/joint du turbocompresseur
PDSF 26,45 $ CAD
19,03 $ CAD
PDSF 26,45 $ CAD
19,03 $ CAD
9
Clavette à Tête Hexagonale à Embase Vis
Mopar
Mopar Remarques: Engines: 6.4L HEAVY DUTY V8 HEMI WITH MDS.
Description: M6X1,0x20,0. Entre la conduite de retour de liquide de refroidissement du RGE et le couvercle avant
PDSF 14,40 $ CAD
10,37 $ CAD
PDSF 14,40 $ CAD
10,37 $ CAD
10
Tube Egr Joint
Mopar
Mopar Remarques: Engines: 6.4L HEAVY DUTY V8 HEMI WITH MDS.
PDSF 22,00 $ CAD
13,20 $ CAD
PDSF 22,00 $ CAD
13,20 $ CAD
12
Egr Refroid
Mopar
Mopar Remarques: Engines: 6.4L HEAVY DUTY V8 HEMI WITH MDS.
PDSF 932,00 $ CAD
620,38 $ CAD
PDSF 932,00 $ CAD
620,38 $ CAD
13
15
Tête Collerette Hexagonale Boulon, Montage
Mopar
Mopar Remarques: Engines: 6.4L HEAVY DUTY V8 HEMI WITH MDS.
Description: M6x1.00x10.90. Tube d'indicateur du niveau d'huile moteur vers bloc-cylindres
16
RgÉ Tube
Mopar
Mopar Remarques: Engines: 6.4L HEAVY DUTY V8 HEMI WITH MDS.
Description: Retour du liquide de refroidissement
PDSF 250,00 $ CAD
167,08 $ CAD
PDSF 250,00 $ CAD
167,08 $ CAD
17
Durite D`alimentation Collier, Montage
Mopar
Mopar Remarques: Engines: 6.4L HEAVY DUTY V8 HEMI WITH MDS.
Description: 26 mm de diamètre. [Diamètre ouvert = M26.0 épaisseur = 1.30]. Refroidisseur d’huile/admission d’eau
PDSF 13,65 $ CAD
8,18 $ CAD
PDSF 13,65 $ CAD
8,18 $ CAD
18
Entre Le Collecteur Et Le Refroidisseur RgÉ Tube
Mopar
Mopar Remarques: Engines: 6.4L HEAVY DUTY V8 HEMI WITH MDS.
Description: Après le 09/30/13
19
Entre Le Collecteur Et Le Refroidisseur RgÉ Tube
Mopar
Mopar Remarques: Engines: 6.4L HEAVY DUTY V8 HEMI WITH MDS.
Description: After 09/30/13.
20
Entre Le Système Rge Et Le Collecteur Joint D’ÉtanchÉitÉ
Mopar
Mopar Remarques: Engines: 6.4L HEAVY DUTY V8 HEMI WITH MDS.
PDSF 60,65 $ CAD
42,20 $ CAD
PDSF 60,65 $ CAD
42,20 $ CAD
21
Double Terminaison Goujon, Montage
Mopar
Mopar Remarques: Engines: 6.4L HEAVY DUTY V8 HEMI WITH MDS.
Description: M8X1,25X35,00. Entre le tube RGÉ et le collecteur d'échappement
PDSF 54,25 $ CAD
37,75 $ CAD
PDSF 54,25 $ CAD
37,75 $ CAD
