Fixation de caisse pour 2014 Ram 2500
Catégories
- Bloc hydraulique, accumulateur, solénoïde et haricot de stationnement
- Carter, extension, carter d'huile et témoin (jauge)
- Commandes de sélection de rapport et pièces apparentées
- Embrayages
- Ensembles de joints et cales
- Fixation et plaque de protection
- Pompe à huile
- Train de pignons
- Transmission automatique / boîte-pont et convertisseur de couple
- Allumage, bougies, câbles, bobines et bougies de préchauffage
- Assistance au stationnement
- Avertisseurs sonores
- Batterie, support de batterie et câbles
- Bloc du panneau d`instruments
- Câblage du groupe motopropulseur
- Câblage et réparation
- Câblage-panneau d`instruments
- Câblage, caisse et accessoires
- Câblage, projecteur/panneau
- Capteurs
- Centre de distribution, bloc-fusibles, boîte de jonction, relais et fusibles
- Clés, modules et unités de commande de moteur
- Contacteurs
- Démarreurs
- Essuie-glace et lave-glace
- Générateurs/Alternateurs
- Lampes-intérieur et extérieur
- Navigation
- Radio, antenne, haut-parleurs, systèmes DVD et vidéo
- Compartiment arrière de rangement
- Consoles
- Panneau d`instruments
- Panneaux – moulures – plaques de protection, pied, auvent, garniture de panneau 1/4 et cache-bagages
- Panneaux de garnissage de porte – avant et arrière
- Pavillons – pare-soleil – courroies de maintien
- Sièges arrière-Deuxième rangée
- Sièges arrière-Deuxième rangée-Dispositifs de réglage, d'inclinaison et élévateurs
- Sièges avant-Dispositifs de réglage, d'inclinaison et élévateurs
- Sièges avant-Première rangée
- Tapis, plancher d'espace de charge et isolations
- Arbre à cames et soupape
- Bloc-cylindre
- Collecteurs et raccord de dépression
- Courroie/Chaîne et couvercle de distribution et arbre d'équilibrage
- Culasse
- Identification de moteur, entretiens des moteurs et trousses de réparation du moteur
- Lubrification de moteur, carter d'huile et témoin (jauge)
- Montage du moteur
- Ventilation du carter
- Vilebrequin, piston, entraînement, volant et amortisseur
- Bloc hydraulique, accumulateur, solénoïde et haricot de stationnement
- Carter, extension, carter d'huile et témoin (jauge)
- Commandes de sélection de rapport et pièces apparentées
- Embrayages
- Ensembles de joints et cales
- Fixation et plaque de protection
- Pompe à huile
- Train de pignons
- Transmission automatique / boîte-pont et convertisseur de couple
- Allumage, bougies, câbles, bobines et bougies de préchauffage
- Assistance au stationnement
- Avertisseurs sonores
- Batterie, support de batterie et câbles
- Bloc du panneau d`instruments
- Câblage du groupe motopropulseur
- Câblage et réparation
- Câblage-panneau d`instruments
- Câblage, caisse et accessoires
- Câblage, projecteur/panneau
- Capteurs
- Centre de distribution, bloc-fusibles, boîte de jonction, relais et fusibles
- Clés, modules et unités de commande de moteur
- Contacteurs
- Démarreurs
- Essuie-glace et lave-glace
- Générateurs/Alternateurs
- Lampes-intérieur et extérieur
- Navigation
- Radio, antenne, haut-parleurs, systèmes DVD et vidéo
- Compartiment arrière de rangement
- Consoles
- Panneau d`instruments
- Panneaux – moulures – plaques de protection, pied, auvent, garniture de panneau 1/4 et cache-bagages
- Panneaux de garnissage de porte – avant et arrière
- Pavillons – pare-soleil – courroies de maintien
- Sièges arrière-Deuxième rangée
- Sièges arrière-Deuxième rangée-Dispositifs de réglage, d'inclinaison et élévateurs
- Sièges avant-Dispositifs de réglage, d'inclinaison et élévateurs
- Sièges avant-Première rangée
- Tapis, plancher d'espace de charge et isolations
- Arbre à cames et soupape
- Bloc-cylindre
- Collecteurs et raccord de dépression
- Courroie/Chaîne et couvercle de distribution et arbre d'équilibrage
- Culasse
- Identification de moteur, entretiens des moteurs et trousses de réparation du moteur
- Lubrification de moteur, carter d'huile et témoin (jauge)
- Montage du moteur
- Ventilation du carter
- Vilebrequin, piston, entraînement, volant et amortisseur
Parcourir les catégories
Sélectionnez la catégorie
- Bloc hydraulique, accumulateur, solénoïde et haricot de stationnement
- Carter, extension, carter d'huile et témoin (jauge)
- Commandes de sélection de rapport et pièces apparentées
- Embrayages
- Ensembles de joints et cales
- Fixation et plaque de protection
- Pompe à huile
- Train de pignons
- Transmission automatique / boîte-pont et convertisseur de couple
- Allumage, bougies, câbles, bobines et bougies de préchauffage
- Assistance au stationnement
- Avertisseurs sonores
- Batterie, support de batterie et câbles
- Bloc du panneau d`instruments
- Câblage du groupe motopropulseur
- Câblage et réparation
- Câblage-panneau d`instruments
- Câblage, caisse et accessoires
- Câblage, projecteur/panneau
- Capteurs
- Centre de distribution, bloc-fusibles, boîte de jonction, relais et fusibles
- Clés, modules et unités de commande de moteur
- Contacteurs
- Démarreurs
- Essuie-glace et lave-glace
- Générateurs/Alternateurs
- Lampes-intérieur et extérieur
- Navigation
- Radio, antenne, haut-parleurs, systèmes DVD et vidéo
- Compartiment arrière de rangement
- Consoles
- Panneau d`instruments
- Panneaux – moulures – plaques de protection, pied, auvent, garniture de panneau 1/4 et cache-bagages
- Panneaux de garnissage de porte – avant et arrière
- Pavillons – pare-soleil – courroies de maintien
- Sièges arrière-Deuxième rangée
- Sièges arrière-Deuxième rangée-Dispositifs de réglage, d'inclinaison et élévateurs
- Sièges avant-Dispositifs de réglage, d'inclinaison et élévateurs
- Sièges avant-Première rangée
- Tapis, plancher d'espace de charge et isolations
- Arbre à cames et soupape
- Bloc-cylindre
- Collecteurs et raccord de dépression
- Courroie/Chaîne et couvercle de distribution et arbre d'équilibrage
- Culasse
- Identification de moteur, entretiens des moteurs et trousses de réparation du moteur
- Lubrification de moteur, carter d'huile et témoin (jauge)
- Montage du moteur
- Ventilation du carter
- Vilebrequin, piston, entraînement, volant et amortisseur
- Bloc hydraulique, accumulateur, solénoïde et haricot de stationnement
- Carter, extension, carter d'huile et témoin (jauge)
- Commandes de sélection de rapport et pièces apparentées
- Embrayages
- Ensembles de joints et cales
- Fixation et plaque de protection
- Pompe à huile
- Train de pignons
- Transmission automatique / boîte-pont et convertisseur de couple
- Allumage, bougies, câbles, bobines et bougies de préchauffage
- Assistance au stationnement
- Avertisseurs sonores
- Batterie, support de batterie et câbles
- Bloc du panneau d`instruments
- Câblage du groupe motopropulseur
- Câblage et réparation
- Câblage-panneau d`instruments
- Câblage, caisse et accessoires
- Câblage, projecteur/panneau
- Capteurs
- Centre de distribution, bloc-fusibles, boîte de jonction, relais et fusibles
- Clés, modules et unités de commande de moteur
- Contacteurs
- Démarreurs
- Essuie-glace et lave-glace
- Générateurs/Alternateurs
- Lampes-intérieur et extérieur
- Navigation
- Radio, antenne, haut-parleurs, systèmes DVD et vidéo
- Compartiment arrière de rangement
- Consoles
- Panneau d`instruments
- Panneaux – moulures – plaques de protection, pied, auvent, garniture de panneau 1/4 et cache-bagages
- Panneaux de garnissage de porte – avant et arrière
- Pavillons – pare-soleil – courroies de maintien
- Sièges arrière-Deuxième rangée
- Sièges arrière-Deuxième rangée-Dispositifs de réglage, d'inclinaison et élévateurs
- Sièges avant-Dispositifs de réglage, d'inclinaison et élévateurs
- Sièges avant-Première rangée
- Tapis, plancher d'espace de charge et isolations
- Arbre à cames et soupape
- Bloc-cylindre
- Collecteurs et raccord de dépression
- Courroie/Chaîne et couvercle de distribution et arbre d'équilibrage
- Culasse
- Identification de moteur, entretiens des moteurs et trousses de réparation du moteur
- Lubrification de moteur, carter d'huile et témoin (jauge)
- Montage du moteur
- Ventilation du carter
- Vilebrequin, piston, entraînement, volant et amortisseur
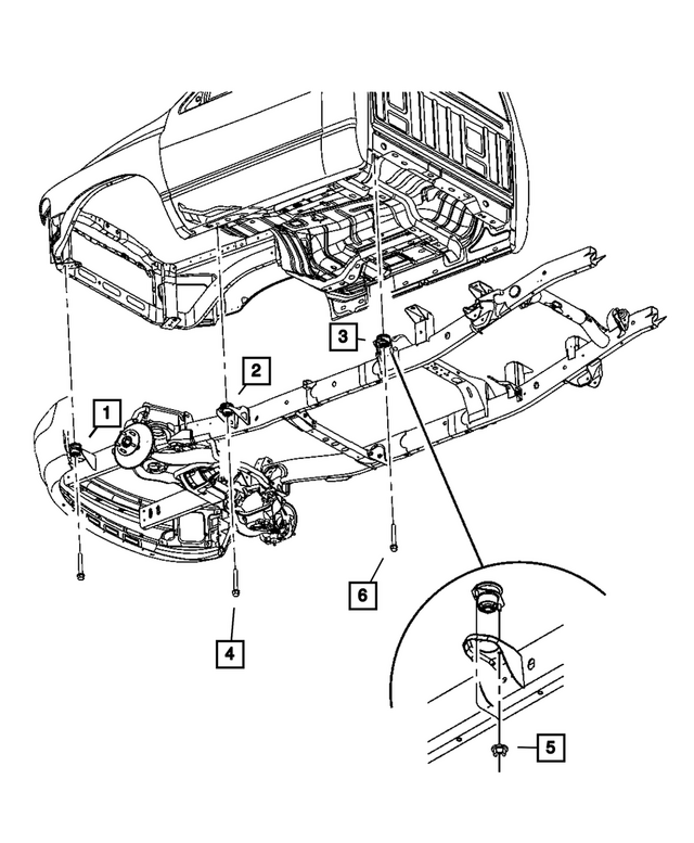
Fixation de caisse pour 2014 Ram 2500
N°
Numéro de pièce / Description / Prix
Prix
N/A
N/A
1
2
PDSF 91,25 $ CAD
61,86 $ CAD
3
PDSF 87,90 $ CAD
59,57 $ CAD
5
Hex Flange Head Screw
Mopar
Mopar Description: Du coussin de la carrosserie au pied arrière du châssis
PDSF 29,40 $ CAD
21,14 $ CAD
PDSF 29,40 $ CAD
21,14 $ CAD
8
Vis à Tête Héxagonale Vis Et Rondelle
Mopar
Mopar Remarques: Engines: 5.7L V8 HEMI CNG ENGINE. 5.7L V8 HEMI VVT Engine. 6.4L HEAVY DUTY V8 HEMI WITH MDS. All Diesels Engines.
Description: M12X1.75X116.50. Montage à l’avant de la cabine. Du coussin de carrosserie au châssis
PDSF 47,40 $ CAD
32,97 $ CAD
PDSF 47,40 $ CAD
32,97 $ CAD
N°
Numéro de pièce / Description / Prix
Prix
N/A
Verrou De Collerette Hexagonale Ecrou, Montage
Mopar
Mopar Remarques: Engines: 6.7L I6 CUMMINS TURBO DIESEL ENGINE. Transmissions: 6-SPD AUTOMATIC 66RFE TRANSMISSION. 6-Spd Automatic 68RFE Transmission. 6-SPEED MANUAL G56 TRANSMISSION.
Description: M10x1.50. Montage du différentiel avant vers différentiel
1
2
PDSF 91,25 $ CAD
61,86 $ CAD
3
PDSF 87,90 $ CAD
59,57 $ CAD
4
5
6
Hex Flange Head Screw
Mopar
Mopar Description: Du coussin de la carrosserie au pied arrière du châssis
PDSF 29,40 $ CAD
21,14 $ CAD
PDSF 29,40 $ CAD
21,14 $ CAD
N°
Numéro de pièce / Description / Prix
Prix
1
2
PDSF 91,25 $ CAD
61,86 $ CAD
5
Verrou De Collerette Hexagonale Ecrou
Mopar
Mopar Remarques: Engines: 5.7L V8 HEMI CNG ENGINE. 5.7L V8 HEMI VVT Engine. 6.4L HEAVY DUTY V8 HEMI WITH MDS.
Description: M10x1.50. De l’écran thermique à la transmission
5
Verrou De Collerette Hexagonale Ecrou, Montage
Mopar
Mopar Remarques: Engines: 6.7L I6 CUMMINS TURBO DIESEL ENGINE. Transmissions: 6-SPD AUTOMATIC 66RFE TRANSMISSION. 6-Spd Automatic 68RFE Transmission. 6-SPEED MANUAL G56 TRANSMISSION.
Description: M10x1.50. Montage du différentiel avant vers différentiel

